کلایمر پانتوگراف
کلایمر_پانتوگراف چیست؟
برای پوشش نماهای ساختمان که دارای تو رفتگی های بیش از 2 متر است از چه سیستم کلایمر بهره برده می شود؟
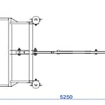
د ر تعدادی از ساختمان ها شاهد هستیم که نمای ساختمان دارای تو رفتگی زیادی است. برای پوشش کلایمر جهت نظافت و تعمیر و نگه داری نمای ساختمان باید از سیستم کلایمر پانتوگراف که امکان دسترسی تا عمق 5 متر را تامین می کند بهره برد
کلایمر پانتوگراف دارای ساختار هیدرولیک است و با استفاده از مکانیزم های جک هیدرولیک که کنترل آنها در تابلو برق دستگاه است، کلایمر در عمق ساختمان حرکت می کند. برای حفظ تعادل استاتیکی دستگاه، همزمان با حرکت کلایمر در عمق، وزنه های تعادلی در جهت عکس کابین باز می شود تا تعادل دستگاه حفظ گردد.
کابین های پانتوگراف نسبت به نوع پلن ساختمان و متغییرهای مهمی از جمله، میزان و متراژ تو رفتگی، ارتفاع دسترسی، نوع کلایمر_منوریل، ظرفیت و ابعاد کابین طراحی و ساخت می گردد.
با توجه به نوع عملکرد و تعادل دستگاه، طراحی و تحلیل علمی در ساخت و اجرا این نوع بالابر از اهمیت بسیار بالایی برخوردار است.
تیم مهندسی آلتای با بهره گیری از مهندسین و نخبگان و ظرفیت استقرار در مجموعه علمی و تحقیقاتی، آماده طراحی و ساخت کلایمر_پانتوگراف برای پروژه های ساختمانی و صنعتی است. جهت دریافت مشاوره با کارشناس های ما در ارتباط باشید.
مزایا و محدودیت کلایمر پانتوگراف
دستگاه پانتوگراف در چه ساختمان هایی کاربرد دارد:
در تعدادی از ساختمان های مسکونی شاهد آن هستیم که بخشی از نما دارای تو رفتگی بیش از یک متر است. برای دسترسی به این نما لازم است تا کابین کلایمر بتواند در عمق ساختمان حرکت کند. در این موارد کار کلایمر پانتوگراف می تواند بهره برد. این دستگاه می تواند تا عمق حدود 3 متر را تحت پوشش داشته باشد.
کلایمر پانتوگراف چه محدودیتهایی دارد:
همچنان که تشریح شد، این نوع کلایمر صرفا در مواردی استفاده می گردد که نمای ساختمان دارای تو رفتگی بیش از 1 متر است و امکان استفاده از کابین های معمولی وجود ندارد. از مهمترین محدودیت این نوع کابین می توان به حم زیاد و وزن سنگین آن اشاره کرد. لذا بایستی در محاسبات ریل و زیرسازی کلایمر مونوریل موارد زیر را در نظر گرفت.
مراحل اجرای کلایمر پانتوگراف چیست:
در ابتدا تیم مهندسی از ساختمان و زیرساخت های اجرایی به صورت میدانی بازدید به عمل می آورد. سپس تیم مهندسی آلتای با استفاده از نفرات مهندسی خود، جانمایی و اجرا کلایمر پانتوگراف را در پلن ساختمان شبیه سازی می نماید و موارد را با کارفرما هماهنگ و نقشه های نهایی را تهیه می کند. پس از تایید کارفرما نسبت به اجرای کار اقدام می گردد.










